January 2026
How Loud Should an Office Be?
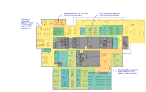
That’s the question we asked ourselves when we experimented with a new method to measure office vibrancy. Our Red Hat client, a tech company based in Raleigh, NC, was looking for an empirical way to understand how vibrant their office environment feels. Although that’s hard to define, you know it when you see it, or rather, when you hear it.
A consistent buzz of conversation, people walking from their desk to a conference room, the sound of people typing, a distant phone call or many calls at once - all these things contribute to the cacophony of office work which can be dampened by acoustic treatments but still very audible.
So with the purchase of a few entry level decibel meters, we added sound recording to our site observation scope and walked the space recording volume levels across 10 floors, multiple times a day, to see how things varied. What did we find?
55 dB is Where Vibrancy Starts – The sound of the HVAC system is drowned out by voices, keyboard clatter, and papers shuffling. An occasional loud laugh or door closing spikes the recording to roughly 70 dB, but staff can still easily focus and an active energy is present in the space.
There’s Focus and Then There’s Deep Focus – While we had no trouble sitting in spaces of 50 dB and working for extended periods of time, a noticeable difference surfaced while sitting in a 30-35 dB room. Studies support this experience as your brain doesn’t have to work to block out a baseline level of noise.
Acoustic Ceiling Tiles Really Work – The office was easily 10-20 dB quieter in zones with ACT vs an open ceiling. Those areas created natural “focus zones on the floor”.
HVAC Systems Naturally Produce a Lot of White Noise – In quieter areas, the HVAC was the loudest sound and set a baseline of about 45 dB in most spaces, which is an appropriate level for typical concentration. Still, we knew if the white noise of air blowing through ducts was the loudest sound we could hear, we were definitely in a non-vibrant zone.
A Lot of People Doesn’t Mean A Lot of Noise – We observed more than a couple open work areas with 6-8 people in close proximity. With acoustic barriers between desks and no active phone calls, these spaces remained at the 45 dB range (the level produced from the HVAC system).
Too Quiet Can Be Unsettling – This one comes from research rather than our site observation because we didn’t experience levels this low, but sound levels below 10 dB can be eerily quiet and anxiety inducing in some. Apparently at 0 dB you can hear your own heartbeat. Eek!
So What’s Next?
Site observations are a standard part of our strategy offerings but adding some nuance in how we go about it helps us differentiate our services with potential new clients. We also want to make sure we’re not working in a vacuum. Are there other things you’d be interested in knowing about a space before design begins?
